Nervous Tissue



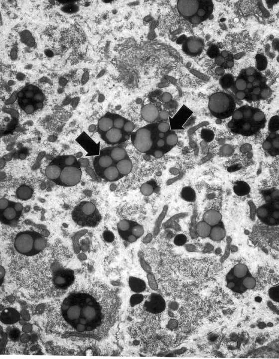
Portion of a neuron showing lipofuschin granules(arrows) and profiles of rough endoplasmic reticulum. Can you recognize any other organelles in the field?