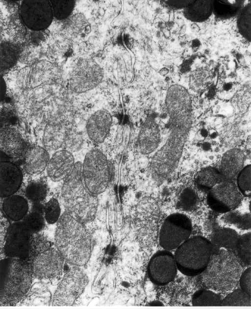
Epithelial



Showing a series of 4 desmosomes between epithelial cells.