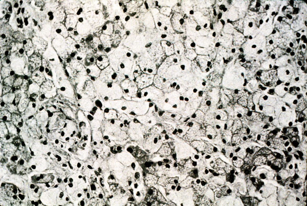
Niemann-Pick lipidoses
Click picture to enlarge. Close window to return

This slide depicts Niemann-Pick disease in the bone marrow. The marrow space is filled with fairly regular lipid-filled macrophages.